Hal ini sering kali terjadi saat menyikat gigi dan anda menemukan gusi anda berdarah. Pada dasarnya terdapat beberapa hal yang dapat menyebabkan gusi berdarah, namun pada umumnya penyebab gusi mudah berdarah adalah kalkulus atau karang gigi. Pada kesempatan ini, saya akan membahas gusi berdarah yang disebabkan kalkulus.
Apakah itu kalkulus dan bagaimana terbentuknya?
Pada awalnya secara alami terbentuk plak (dental biofilm) pada pemukaan gigi. Hanya dalam hitungan jam plak dapat terbentuk, dimana bakteri berkoloni. Bakteri ini seiring waktu akan menumpuk jika tidak dilakukan pembersihan melalui tindakan seperti sikat gigi atapun flossing. Tumpukan bakteri yang menempel pada permukaan gigi inilah yang disebut plak.
Plak ini kemudian mengalami mineralisasi menjadi kalkulus. Di dalam mulut kita terjadi produksi air liur/ saliva yang mengandung mineral-mineral. Mineralisasi menjadi kalkulus ialah pada saat plak yang sudah terbentuk menerima mineral sehingga strukturnya menjadi lebih keras. Mari kita lihat tampilan mikroskopis permukaan kalkulus di bawah ini.

sumber gambar: https://cdeworld.com/courses/4855-The_CEJ:A_Biofilm_and_Calculus_Trap?c=305
Mari kita bayangkan gusi kita yang merupakan jaringan lunak akan bertemu dengan struktur yang keras dengan bentuk seperti demikian dan pada saat menyikat gigi akan menyebabkan gesekan antara kedua permukaan sehingga gusi pun berdarah.
Di samping hal di atas, penjelasan gusi yang mudah berdarah juga adalah gusi yang disekitarnya terdapat kalkulus berada dalam kondisi tidak sehat (radang) atau dalam bahasa kedokteran sedang mengalami inflamasi sehingga gusi tersebut mudah berdarah. Inflamasi sebenarnya merupakan respon tubuh dari keberadaan bakteri yang terdapat dalam kalkulus. Bakteri melepaskan zat toksin yang bernama exotoxin dan endotoxin, yang kemudian memberi sinyal pada sel-sel radang untuk migrasi ke lokasi tersebut. Peradangan yang terjadi juga disertai dengan meningkatnya permeabilitas vaskular. Pada kondisi demikian, gusi sangat rentan untuk berdarah.
Perawatan apa yang dibutuhkan?
Pada dasarnya kondisi gusi yang mudah berdarah perlu mendapatkan perawatan awal yakni skeling. Terdapat dua jenis kalkulus, yakni kalkulus supragingiva dan kalkulus subgingiva. Kalkulus supragingiva adalah kalkulus yang terdapat pada permukaan gigi dan dapat terlihat dalam rongga mulut (posisinya lebih korona dari tepi gingiva), sedangkan kalkulus subgingiva adalah kalkulus yang terdapat di bawah gusi dan tidak dapat terlihat secara visual. Skeling dimaksudkan untuk mengangkat kalkulus supragingiva secara mekanis dari permukaan gigi. Root planing ditujukan untuk pengangkatan kalkulus subgingiva dari permukaan akar gigi. Dengan dieliminasinya faktor penyebab peradangan, diharapkan terjadi pemulihan jaringan dan gusi tidak lagi mudah berdarah.
Berikut merupakan contoh kasus dengan perawatan skeling root planing yang saya kerjakan beberapa waktu lalu.
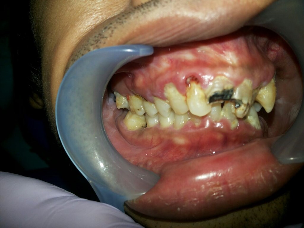
- Pasien Mr. H, 32 th mengeluhkan bau mulut. Pada pemeriksaan ditemukan banyak kalkulus dan plak pada permukaan giginya. Kondisi gigi pasien tidak rapih (malposisi) dan terdapat beberapa lubang gigi menyebabkan mudah terbentuknya plak.
| Sebelum | Setelah |




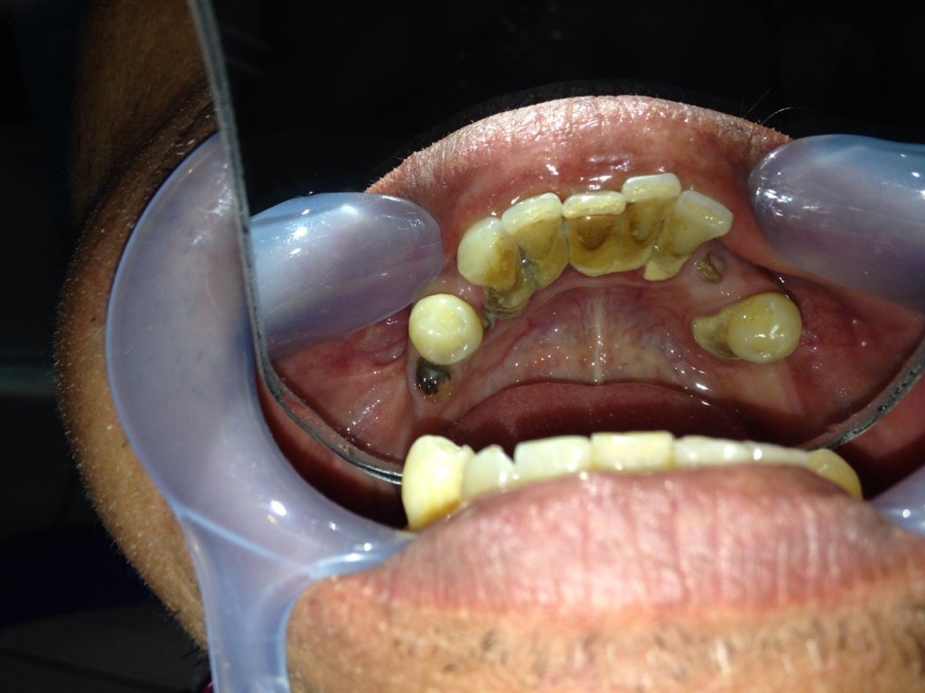
2. Pasien Mr. A, 60 th ingin dibersihkan karang giginya. Ditemukan banyak karang gigi di daerah lingual permukaan gigi insisif bawah. Permukaan lingual insisif bawah merupakan daerah paling mudah terbentuk kalkulus karena lokasinya yang dekat dengan saluran kelenjar saliva, sehingga plak dengan cepat termineralisasi oleh mineral dari saliva.
| Sebelum | Setelah |


Saran:
- Terkadang gusi mudah berdarah juga karena cara menyikat gigi yang kurang tepat, disarankan untuk meminta dokter gigi anda untuk mengajari gerakan cara menyikat gigi yang tepat. Tidak perlu memberi tekanan berlebihan pada saat menyikat gigi.
- Lakukan pemeriksaan gigi dan pembersihan karang gigi secara rutin ke dokter gigi 6 bulan sekali agar kondisi rongga mulut anda tetap prima